
Contact Rating: 2.5A 250VAC
Contact Resistance: 20mΩ max.
Insulation Resistance: 100MΩ min. for DC 500V
Housing:PA66,PBT

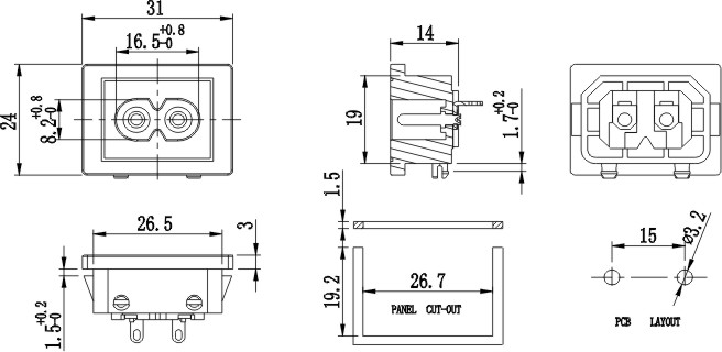
介紹:
IEC插座系列,小型八字插座,米老鼠插座 ,梅花座等多種規格,產品通過UL VDE CCC CB等認證,常見于家用儀器設備,小家電等

